- 成都優普環保設備工程有限公司
- 電話:183-2853-8768
- 郵箱:1728748202@qq.com
- 網址:www.cdgalaxye.com
- 地址:四川省成都市郫都區成都現代工業港北片區港泰大道38號
當前位置:首頁>>技術文章
城鎮污水處理廠建設中格柵如何選擇設計 |
發布者:成都優普環保設備工程有限公司 發布時間:2020/6/17 點擊次數:7006 |
城鎮污水處理廠建設格柵的作用:篩濾的目的是去除廢水中粗大的懸浮物和雜物(detritus),以保護后續處理設施能正常運行的一種預處理方法。 城鎮污水處理廠格柵分類:篩濾的構件包括平行的棒、條、金屬網、格網或穿孔板,由平行的棒和條構成的稱為格柵(bar screen) ; 由金屬絲織物或穿孔板構成的稱為篩網(screen)。 1、格柵 格柵:由一組(或多組)相平行的金屬柵條與框架組成。 位置:格柵一般斜置在進水泵站集水井的進口處。 分類:平面格柵-篩網呈平面、曲面格柵-篩網呈弧狀
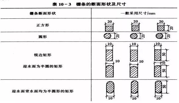
格柵柵條的斷面形狀有圓形、矩形及方形,圓形的水力條件較方形好,但剛度較差。自前多采用斷面形式為矩形的柵條。
污水過柵條間距的流速:為防止柵條間隙堵塞,一般采用0.6-1.0m/s,最大流量時可高于1.2~1.4m/s 漸擴α=20°沉底大于水頭損失。水流在運動過程中單位質量液體的機械能的損失稱為水頭損失。
曲面格柵
格柵清渣的方法:
人工清除: 與水平面傾角:45°~60° 設計面積應采用較大的安全系數,一般不小于進水渠道面積的2倍,以免清渣過于頻繁。 機械清除: 與水平面傾角:60°~70° 過水面積一般應不小于進水管渠的有效面積的1.2倍。 城鎮污水處理廠建設格柵應該怎樣設置: 設置在城鎮污水處理廠處理系統前的格柵,還應考慮到使整個污水處理系統能正常運行,對處理設施或管道等均不應產生堵塞作用。因此,可設置粗細兩道格柵, 柵條間距一般采用16-25mm,最大不超過40mm。 4.柵槽總長度L
架設格柵的渠道,柵前和柵后應分別保持0.5m和1.0m以上的直線距離.為了防止柵前渠道內水面出現阻流回水現象,架設格柵的渠段寬度由原來的b1放寬到b,渠前有擴大段L],展開角20度,渠后有收縮段L,,一般取L,=L/2。 |
上一條:一體化污水提升泵站的設計標準 | 下一條:鄉鎮生活污水處理設備工藝設計 |